Запасные части ЧТЗ Запасные части ЧТЗ
Тараз
Например:
Актобе
Алдан
или
Выбрать автоматически
Актобе
Алдан
Алматы
Алчевск
Архангельск
Астана
Астрахань
Атырау
Баку
Балашиха
Барнаул
Белгород
Бердянск
Бишкек
Владивосток
Владикавказ
Воркута
Воронеж
Горловка
Грозный
Донецк
Екатеринбург
Иваново
Ижевск
Иркутск
Казань
Калининград
Каменск-Уральский
Караганда
Каховка
Кемерово
Киров
Комсомольск-на-Амуре
Костанай
Краснодар
Красноярск
Красный луч
Ленск
Луганск
Магадан
Магнитогорск
Макеевка
Махачкала
Мелитополь
Минск
Мирный (Якутия)
Москва
Мурманск
Нерюнгри
Нижневартовск
Нижний Новгород
Нижний Тагил
Новая каховка
Новокузнецк
Новосибирск
Новый Уренгой
Норильск
Ноябрьск
Нур-Султан
Омск
Оренбург
Ош
Павлодар
Пермь
Петрозаводск
Петропавловск
Петропавловск-Камчатский
Псков
Ростов-на-Дону
Салехард
Самара
Санкт-Петербург
Саратов
Севастополь
Семей
Симферополь
Сочи
Ставрополь
Сургут
Сыктывкар
Тараз
Ташкент
Токмак
Томск
Тында
Тюмень
Ульяновск
Усинск
Усть-Каменогорск
Уфа
Хабаровск
Ханты-Мансийск
Херсон
Челябинск
Чита
Шымкент
Экибастуз
Энергодар
Южно-Сахалинск
Якутск
Ваш город
Тараз
Войти
Запасные части к тракторам на одном сайте
+7 (932) 303-00-10
+7 (932) 303-00-10
г. Тараз, ул. Ниеткалиева, д. 105В
Пн-Пт: 9:30-18:30 Cб-Вс: Выходной
Отправить заявку


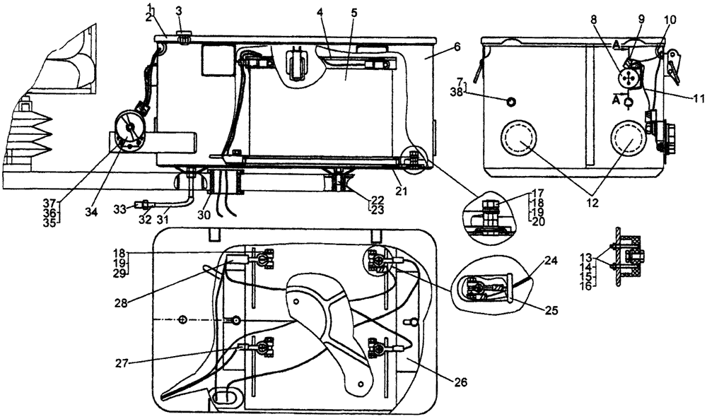
Установка аккумуляторных батарей трактора с механической трансмиссией с пусковым двигателем на Т10М / Б10М


/
с НДС 20%
Описание
Установка аккумуляторных батарей для трактора Т10М с механической трансмиссией с пусковым двигателем
#Номер запчастиНаименование деталиКол-во в сборке
150-10-400СПКрышка1
2700-40-7065Уплотнение1
3700-40-5565Пистон1
4700-40-9029Пластина1
5-Батарея
6СТ-75АМ
6СТ-75АП
6СТ-75АПЗ
6СТ-74А
2
650-10-431СПКонтейнер1
7700-42-2300Пистон2
8-Розетка штепсельная
47К
47К-Э 1
47К-Т 2
1
950-10-421СППровод 771
10700-40-7419Втулка1
1121-10-213СППровод 781
12700-40-2692Колпачок4
13-Винт B2.M3-6gx25.58.0192
14-Гайка М3-6Н.6.0162
15-Шайба 3Т 65Г 092
1631311-1Шайба2
17-Болт M8-6gx30.88.35.0192
18-Гайка М8.6.0196
19-Шайба 8Т 65Г 096
2031386Шайба6
21700-40-7043Прокладка1
22-Болт M12-6gx30.58.0194
23-Шайба 12 ОТ 65Г 094
2450-10-456СППровод 2711
25700-40-6823Колпачок1
2664-10-185Планка2
2724-10-463СППровод 511
2850-10-305-1СППровод 322/3191
292848Болт6
30700-40-3140Втулка1
31700-46-2226-01Шланг1
3250-10-96Трубка2
3341181Ниппель2
34-Выключатель «массы»
ВК-318Б У
ВК-318Б Э 1
ВК-318Б Т 2
1
35-Болт М6х16.88.35.0193
36-Шайба 6Т 65Г 093
37-Гайка М6-7Н.6.0193
3831308-1Шайба2
1 Для экспорта.
2 Для тропиков.
Установка аккумуляторных батарей трактора с механической трансмиссией с пусковым двигателем