Запасные части ЧТЗ Запасные части ЧТЗ
Тараз
Например:
Актобе
Алдан
или
Выбрать автоматически
Актобе
Алдан
Алматы
Алчевск
Архангельск
Астана
Астрахань
Атырау
Баку
Балашиха
Барнаул
Белгород
Бердянск
Бишкек
Владивосток
Владикавказ
Воркута
Воронеж
Горловка
Грозный
Донецк
Екатеринбург
Иваново
Ижевск
Иркутск
Казань
Калининград
Каменск-Уральский
Караганда
Каховка
Кемерово
Киров
Комсомольск-на-Амуре
Костанай
Краснодар
Красноярск
Красный луч
Ленск
Луганск
Магадан
Магнитогорск
Макеевка
Махачкала
Мелитополь
Минск
Мирный (Якутия)
Москва
Мурманск
Нерюнгри
Нижневартовск
Нижний Новгород
Нижний Тагил
Новая каховка
Новокузнецк
Новосибирск
Новый Уренгой
Норильск
Ноябрьск
Нур-Султан
Омск
Оренбург
Ош
Павлодар
Пермь
Петрозаводск
Петропавловск
Петропавловск-Камчатский
Псков
Ростов-на-Дону
Салехард
Самара
Санкт-Петербург
Саратов
Севастополь
Семей
Симферополь
Сочи
Ставрополь
Сургут
Сыктывкар
Тараз
Ташкент
Токмак
Томск
Тында
Тюмень
Ульяновск
Усинск
Усть-Каменогорск
Уфа
Хабаровск
Ханты-Мансийск
Херсон
Челябинск
Чита
Шымкент
Экибастуз
Энергодар
Южно-Сахалинск
Якутск
Ваш город
Тараз
Войти
Запасные части к тракторам на одном сайте
+7 (932) 303-00-10
+7 (932) 303-00-10
г. Тараз, ул. Ниеткалиева, д. 105В
Пн-Пт: 9:30-18:30 Cб-Вс: Выходной
Отправить заявку


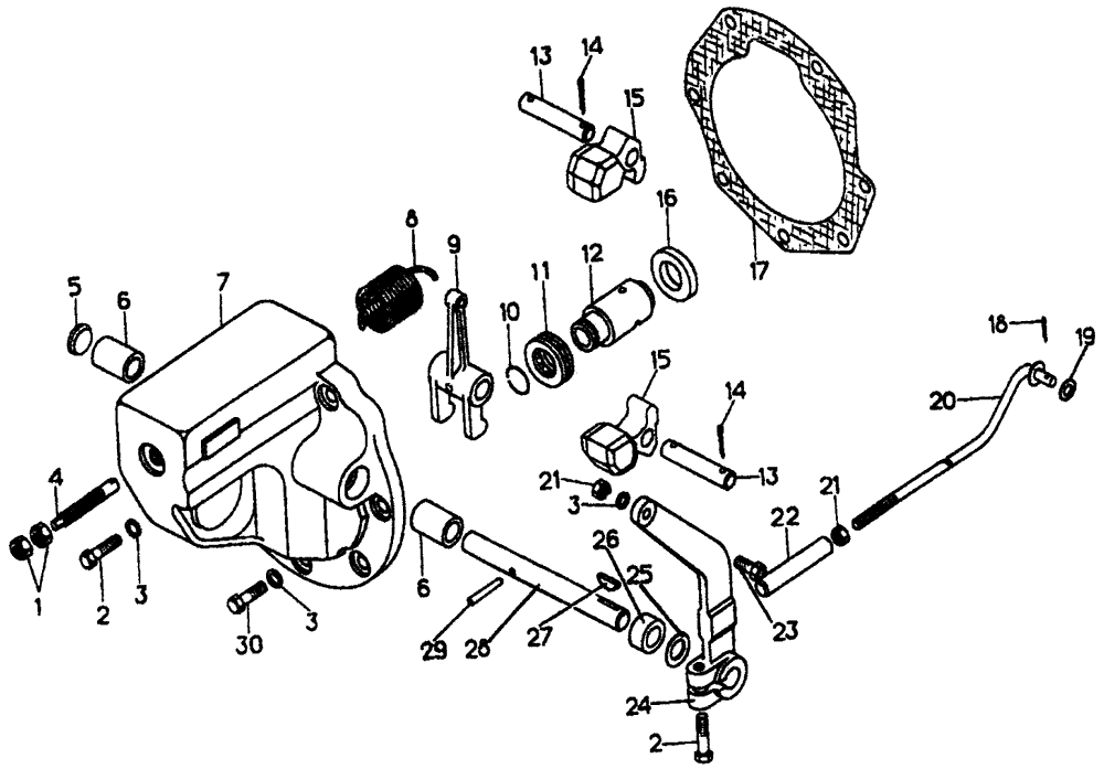
Регулятор пускового двигателя на Т10М / Б10М


/
с НДС 20%
Описание
Регулятор пускового двигателя на Т10М
#Номер запчастиНаименование деталиКол-во в сборке
-17-06-4СПРегулятор пускового двигателя1
1-Гайка М8х1.6.0192
2-Болт М6х25.58.0192
3-Шайба 6Т 65Г 098
406412Винт1
50690Заглушка1
606403-1Втулка2
717-06-16Корпус1
838340Пружина1
906409Рычаг1
1006503Кольцо1
11-Подшипник 8103Н1
1206504Втулка1
1317-06-15Палец2
14-Шплинт 3,2x20.0194
1506405
06405-1
Груз2
1606408Шайба1
1740949Прокладка1
18-Шплинт 2x14.0191
1931358Шайба1
2006626СПТяга1
21-Гайка М6.6.0192
22700-42-2555Муфта1
2306104Палец шаровой рычаг1
2406481Рычаг1
2506100Шайба1
2640264Кольцо1
273432Шпонка1
2806411Ось1
2932239Штифт1
30-Болт М6х20.58.0196
Регулятор пускового двигателя